Описание
Характеристики
Отзывы
Описание
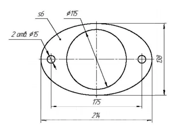
Прокладка для проходных изоляторов ИПУ-10/630 (овал. фланец) необходима при установке изоляторов в токоведущих частей закрытых распределительных устройств электрических станций и подстанций, комплектных распределительных устройств, соединения с открытыми распределительными устройствами или линиями электропередачи на переменное напряжение 10 кВ. Материал: резина Толщина: 6мм
Характеристики
SKU_HIDDEN
te00432193
Габариты (мм)
[214,138,6]
Вес (кг)
0.1
Количество в упаковке (шт)
1
Референс компании
te00432193
Артикул поставщика
432193
Штрих-код
2846904321937
Штрих-код-файл
https://www.texenergo.ru/local/components/coderoid/barcode/include/barcode.php?code=2846904321937&encoding=EAN&scale=1.2&mode=png
Отзывы
Отзывов еще никто не оставлял
